| Availability: | |
|---|---|
| Quantity: | |
GYE 30KRRB
INA
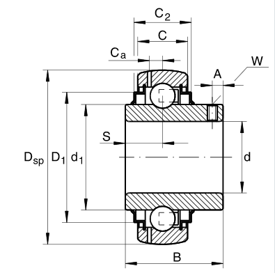
| d | 30 mm | Bore diameter |
| DSP | 62 mm | Outside diameter |
| B | 38.1 mm | Width |
| nG Grease | 13,800 1/min | Limiting speed for grease lubrication |
| Cr | 19,500 N | Basic dynamic load rating, radial |
| C0r | 11,300 N | Basic static load rating, radial |
| Cur | 480 N | Fatigue load limit, radial |
| ≈m | 0.31 kg | Weight |
| C | 18 mm | Width, outer ring |
| C2 | 20.7 mm | Sealing total width |
| S | 15.9 mm | Distance raceway |
| d1 | 40.2 mm | Rib diameter inner ring |
| D1 | 52 mm | Outside diameter seal |
| Ca | 4.7 mm | Distance to lubrication hole |
| A | 5.8 mm | Distance thread |
| W | 3 mm | Width of flats |
| f0 | 13.8 | Calculation factor |

Radial insert ball bearings are ready-to-fit machine elements. In combination with drawn shafts, they are particularly easy to fit and suitable for the design of economical bearing arrangements. They are highly suitable where predominantly radial loads must be supported.
Radial insert ball bearings with an extended inner ring undergo less tilting and therefore run more smoothly.
Radial insert ball bearings with a spherical outer ring are highly suitable where:
static angular misalignments of the shaft must be compensated, which are caused by mounting inaccuracies and tolerances in the adjacent construction
very good seals are required in environmental conditions such as dust, contamination, moisture, stone impacts and shocks
Radial insert ball bearings with a cylindrical outer ring are highly suitable where:
a cylindrical housing bore is already present
the outer ring of the bearings is to be located by means of easy-to-fit snap rings
Radial insert ball bearings with a profiled bore are highly suitable where:
shafts must transmit very high torques
Radial insert ball bearings with a rubber interliner are highly suitable where:
vibrations and shocks must be supported
damping of running noise is required
Compensation of static angular misalignments, available seals with sealing action of different magnitudes η = sealing action | ![]() |
Product Picture


| d | 30 mm | Bore diameter |
| DSP | 62 mm | Outside diameter |
| B | 38.1 mm | Width |
| nG Grease | 13,800 1/min | Limiting speed for grease lubrication |
| Cr | 19,500 N | Basic dynamic load rating, radial |
| C0r | 11,300 N | Basic static load rating, radial |
| Cur | 480 N | Fatigue load limit, radial |
| ≈m | 0.31 kg | Weight |
| C | 18 mm | Width, outer ring |
| C2 | 20.7 mm | Sealing total width |
| S | 15.9 mm | Distance raceway |
| d1 | 40.2 mm | Rib diameter inner ring |
| D1 | 52 mm | Outside diameter seal |
| Ca | 4.7 mm | Distance to lubrication hole |
| A | 5.8 mm | Distance thread |
| W | 3 mm | Width of flats |
| f0 | 13.8 | Calculation factor |

Radial insert ball bearings are ready-to-fit machine elements. In combination with drawn shafts, they are particularly easy to fit and suitable for the design of economical bearing arrangements. They are highly suitable where predominantly radial loads must be supported.
Radial insert ball bearings with an extended inner ring undergo less tilting and therefore run more smoothly.
Radial insert ball bearings with a spherical outer ring are highly suitable where:
static angular misalignments of the shaft must be compensated, which are caused by mounting inaccuracies and tolerances in the adjacent construction
very good seals are required in environmental conditions such as dust, contamination, moisture, stone impacts and shocks
Radial insert ball bearings with a cylindrical outer ring are highly suitable where:
a cylindrical housing bore is already present
the outer ring of the bearings is to be located by means of easy-to-fit snap rings
Radial insert ball bearings with a profiled bore are highly suitable where:
shafts must transmit very high torques
Radial insert ball bearings with a rubber interliner are highly suitable where:
vibrations and shocks must be supported
damping of running noise is required
Compensation of static angular misalignments, available seals with sealing action of different magnitudes η = sealing action | ![]() |
Product Picture


Fax.:0086-635-2682555
Mob.:0086 15563584530
E-mail:allen@hojebearing.com
Whatsapp:+86 15265510966